本文涉及電腦散熱風扇技術領域,特指一種可電腦控製的三段變速的直流無刷散熱風扇的驅動電路。
目前市場上的變速直流無刷散熱風扇主要用於電腦係統散熱,它與電腦係統電路沒有直接聯係,電腦係統電路無法控製風扇的轉速,它都是局限於在風扇電源輸入端串聯一個 熱敏電阻,熱敏電阻功耗大,且風扇轉速隨溫度的變化量很小,這樣風扇會白白損失部分能耗。
本文的目的是將風扇與電腦係統電路銜接起來,風扇的轉速可由電腦係統電路控製,隨溫度的變化調節轉速,並且可在三個不同速度段進行調整,進而節省能耗。

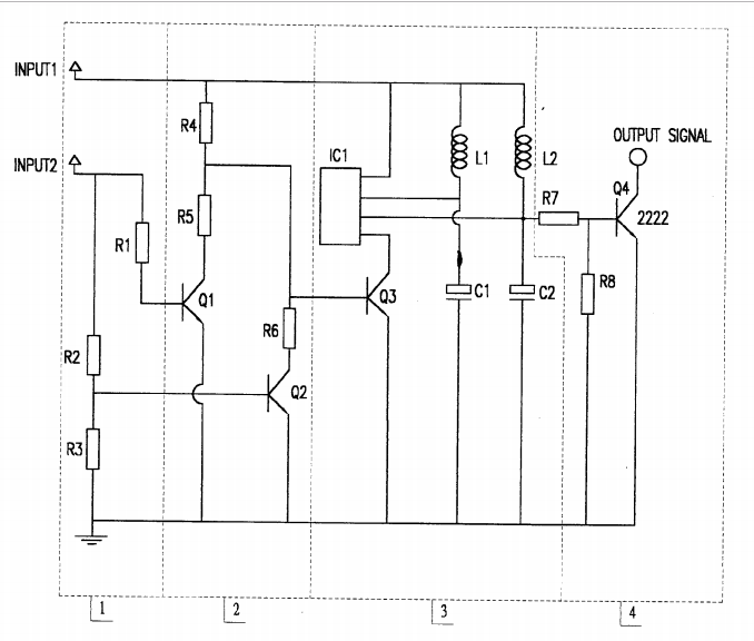
本文是通過如下技術方案實現的:電腦控製的變速直流無刷風扇的驅動電路,其特征是:它包括分壓電路、比較放大電路、繞組脈幅控製電路、繞組工作監測電路四部分,並依照上述次序連接,後三個部分電路都有直流放大器,其中:分壓電路中INPUT1輸入12V電源電壓,INPUT2輸入電腦係統電壓信號,INPUT2連接有串聯電阻R1、R2;在比較放大電路中晶體管Q1的集電極接入NPUTI,基電極接入INPUT2,晶體管Q1的集電極的負載電阻為二組電阻R4、R5並 聯;晶體管Q2的集電極接入通過負載電阻R6接在R4、R5之間,基電極接在入INPUT2的串聯電阻R1、R2之間;在繞組脈幅控製電路中晶體管Q3的集電極與INPUT1之間串接一個四隻腳的霍爾元件IC,霍爾元件IC的其中兩隻腳分別與INPUT1和晶體管Q2的集電極連接,其餘2隻腳分別與電機的2個繞組L1和L2的輸出端連接;電容C1、C2分別與電機繞組L1、L2串接,作為濾波電容吸收電機繞組L1、L2工作時產生的突波;晶體管Q2的基極連接在比較放大電路(2)中晶體管Q2的負載電阻R6上;繞組工作監測電路接在繞組L2的輸出端上。為了測試電機繞組的工作電流情況,晶體管Q4的基極通過電阻R7接在電機繞組L2的輸出端,當電機工作時,晶體管Q4的輸出為一一個方波信號,且方波信號隨轉速升高而增高,當風扇停止時,晶體管Q3輸出一個直波。
本文的分壓電路給比較放大電路分別提供恒壓和電腦係統電壓信號,比較放大電路在電腦係統電壓信號控製下給繞組脈幅控製電路提供不同偏置電流,繞組脈幅控製電路給電機提供工作電流,繞組工作監測電路監測繞組脈幅控製電路的工作電流,這樣風扇的電機轉速就可由電腦係統電路控製。通過分別選擇R4、R5、R6的阻值大小,可在三個不同速度段調整風扇速度。電腦係統電路可隨溫度變化相應調整風扇轉速,從而節省能耗。