
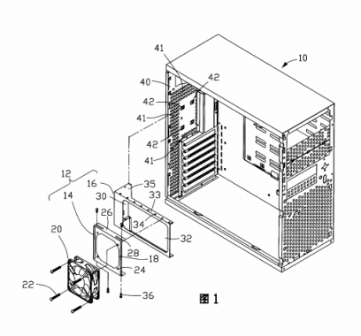
本文涉及一種電腦主機殼內部的散熱風扇組裝結構,特別是利用此種組裝結構…
Mar 23, 2020
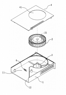
本文介紹一款可加速機箱內散熱,次要目的是可對通過的空氣進行過濾和殺菌的電腦散熱風扇組合機構。…
Mar 23, 2020
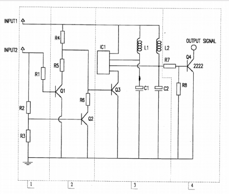
本文涉及電腦散熱風扇技術領域,特指一種可電腦控製的三段變速的直流無刷散熱風扇的驅動電路。…
Mar 23, 2020
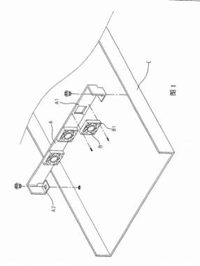
本文涉及電器類,特別涉及一種電腦機殼可掀式散熱風扇及提把結構,尤指一種可隱蔽於電腦機殼上方,且於使用時開啟一定角度以供散熱的可掀式散熱風扇結構。…
Mar 23, 2020
本文涉及一種電腦散熱風扇定位裝置,特別是涉及一種可根據電腦基板上中央處理器的位置調整散熱風扇並使電腦係統獲得最好的散熱及通風效果的定位裝置。…
Mar 23, 2020
本文涉及一種便攜式風扇,尤其涉及一種電腦附屬風扇。 …
Mar 23, 2020
本文專門為大家介紹一種電腦機箱內散熱風扇的控製裝置。…
Mar 23, 2020
本文涉及一種電腦散熱風扇。…
Mar 23, 2020